FIRST A301, 8 Aralık’ta yayımlanan “Control System Update – FIRST Tech Challenge Edition” blog yazısında duyurulduğu üzere, 2027–28 sezonundan itibaren FIRST Tech Challenge robotlarını çalıştırmak için tasarlanmış yeni standart akıllı motordur. A301, FIRST Tech Challenge ekosisteminde dağınık hâlde bulunan motor ve servo çözümlerinin yerini alan tek, birleşik ve yüksek performanslı bir aktüatör çözümü sunar. Bu aktüatör; robot tasarımını basitleştirmek, rekabet eşitliğini artırmak ve program genelinde güvenilirliği yükseltmek amacıyla, FIRST ile REV Robotics arasında doğrudan iş birliğiyle ve diğer tedarikçilerin katkılarıyla geliştirilmiştir. A301; fırçasız motor performansını, hassas servo davranışını ve modern CAN (Controller Area Network) tabanlı iletişim ve kontrol mimarisini tek ve kompakt bir pakette bir araya getirir.
A301 hem motor hem de servo eşdeğeri olarak görev yapacak şekilde tasarlanmıştır. Kapalı çevrim (closed-loop) modunda standart bir servo gibi davranır; tutarlı konumlandırma ve hız kontrolü sağlar. Açık çevrim (open-loop) modunda aktarma organları (drivetrain), mekanizmalar ve yüksek yük gerektiren uygulamalar için pürüzsüz ve verimli fırçasız güç sunar. A301 mevcut yapı sistemlerinin çoğuyla uyumlu evrensel bir montaj tasarımına, 8 mm yuvarlak profile sahip 15 dişli ISO spline çıkış miline ve takımların tasarımlarına en uygun dişli oranını seçmelerine olanak tanıyan modüler bir şanzımana sahiptir. Tüm yapılandırma ve ayarlamalar Motioncore yazılımı üzerinden yapılır; bu da kurulumu basit ve tutarlı hâle getirir.
Temel Teknik Özellikler
• Fırçasız motor mimarisi
• Servo emülasyonu (kapalı çevrim) ve standart motor çalışması (açık çevrim) desteği
• 4 pinli Molex Micro-Fit+ konnektör üzerinden CAN iletişimi ve güç aktarımı
• Motioncore yapılandırma yazılımı ile uyumluluk
• FIRST Robotics Competition ekosisteminde yaygın bir standart olan 8 mm yuvarlak profile sahip
15 dişli ISO spline çıkış mili
• Değiştirilebilir modüler şanzıman (çıkışta birden fazla oran seçeneği)
• 24V – 12V voltaj telafisi ile tutarlı performans
• Çıkış milinde entegre mutlak enkoder
• 30 watt azami motor gücü (nihai erişilebilir güç üretici yazılımı ile sınırlandırılacaktır)
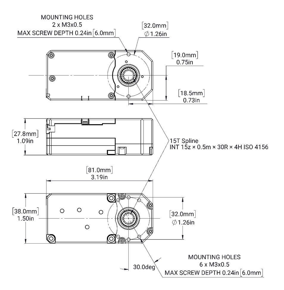
• Kompakt boyutlar: 38 mm × 28 mm × 81 mm
FIRST’te İzin Verilen Motor ve Servoların durumu Durumu
2027–28 sezonundan itibaren, FIRST Tech Challenge için yeni Systemcore ve Motioncore kontrol sistemleriyle birlikte FIRST A301, yarışmalarda kullanımına izin verilen tek aktüatör olacaktır. Yeni kontrolcü ekosistemiyle başka hiçbir motor veya servo yasal olmayacaktır. Bununla birlikte, FIRST Tech Challenge en az 2030–31 sezonuna kadar eski (legacy) ve hibrit kontrol sistemi yapılandırmalarına izin vermeye devam edecektir. Legacy yapılandırmada REV Control Hub ve Expansion Hub ve mevcut bağımsız motor ve servoların kullanımına izin verilirken A301 kullanımına izin verilmeyecektir. Hibrit yapılandırmada ise Systemcore + REV Expansion Hub kombinasyonu ile birlikte alpha test sonuçlarına göre, eski motorlarla A301’i bir arada kullanabilen ek hibrit seçenekler değerlendirilecektir. Hangi donanımların kullanılabileceğine dair detaylı yol haritası, alpha testlerinden sonra paylaşılacaktır. Ayrıca, FIRST A301’in 2027 sezonundan itibaren FIRST Robotics Competition (FRC) için de yasal ve kullanılabilir olması planlanmaktadır.
Bu Değişikliğin Nedeni
Bunun birçok takım için önemli ve alışılmış düzeni bozan bir değişiklik olduğunun farkındayız. Ancak bu değişikliğin gerekli olduğuna inanıyor ve geçiş sürecini olabildiğince sorunsuz hâle getirmek istiyoruz. Bu nedenle süreç, birden fazla yıl ve farklı geçiş seçenekleri ile kademeli olarak uygulanacaktır. Son yıllarda programda yüksek performanslı özel motorlar ve gelişmiş servolar artış göstermiştir. Ne yazık ki bu ürünlerin birçoğu, kullanım kolaylığı, maliyet ve dayanıklılık açısından programın ihtiyaçlarını tam olarak karşılamamaktadır. Bu durum bazı takımlar için büyük avantajlar yaratırken, karmaşıklık ve performans farklarını artırarak topluluk içinde hayal kırıklığı ve sürtüşmeye yol açmıştır. FIRST A301, tüm takımların tasarım yapmasını, üretmesini ve yarışmasını kolaylaştırmayı hedefleyen uzun vadeli bir yaklaşımın parçasıdır. Tek bir motor üzerinde yüksek performans ve servo benzeri yetenekler sunarak; kuralları sadeleştiriyor, maliyet baskısını azaltıyor ve hem yeni hem de deneyimli takımlar için başarıyı daha erişilebilir kılıyoruz.
Dağıtım ve Fiyatlandırma
FIRST A301, FIRST Storefront üzerinden tekli ve başlangıç kitleri hâlinde satılacaktır. Ek üniteler, FIRST tarafından onaylanmış satıcılardan temin edilebilecektir. Aktüatör yalnızca REV Robotics tarafından üretilecek; FIRST, küresel erişimi sağlamak için farklı dağıtıcılar seçecektir. Fiyat, bulunabilirlik ve dağıtım detayları 2026 off-season döneminde açıklanacaktır.
Fiziksel Özellikler
A301, performans açısından mevcut 550 sınıfı motorlara benzer performansta, REV Core Hex motorundan yaklaşık 2–2,5 kat daha güçlüdür. Voltaj telafisi sayesinde batarya gerilimi değişse bile motor davranışı tutarlı kalır. Küçük boyutları, robot içine entegrasyonu kolaylaştırarak tasarım esnekliği sağlar. Aşağıda, A301’i ve hâlihazırda yaygın olarak kullanılan bazı aktüatörlerle karşılaştırmasını gösteren görselleri bulabilirsiniz.
Ön-Gösterim CAD Modeli
Şu Anda Mevcut Takımlar, A301 ile tasarım yapmaya şimdiden başlayabilsin diye CAD modeli Onshape üzerinde doğrudan görüntülenebilir ya da yine Onshape üzerinden 3D STEP dosyası olarak indirilebilir olarak sunulmuştur. Bu model ön-gösterim (preliminary) olduğu için bazı detaylar değişebilir, ancak erken erişimin takımlara fayda sağlayacağı düşünülmektedir.
Montaj Genel Görünümü
Aşağıdaki görseller, cihazın montajını ve cihazı oluşturan bileşenleri göstermektedir.
Şanzıman Oranları
A301, 100 RPM – 6000 RPM aralığında hız seçenekleri sunan değiştirilebilir şanzımanlara sahip olacaktır. Nihai oranlar; testler ve topluluk geri bildirimleri doğrultusunda belirlenecektir. Şanzımanlar, ana A301 motorundan ayrı olarak satılacaktır. *Lütfen dikkat edin: Bu veriler ön üretim test ünitelerine aittir ve nihai üretim öncesinde değişiklik gösterebilir.
FIRST, yenilikçiliğe, öğrenci öğrenimine ve FIRST Tech Challenge’ı özel kılan rekabet heyecanına bağlılığını sürdürmektedir. Bu güncelleme, takımların karmaşık donanım seçenekleriyle uğraşmak yerine yaratıcı mühendisliğe odaklanmasını sağlamayı amaçlamaktadır. Seçilen FIRST Tech Challenge alpha test takımlarını kısa süre içerisinde bir blog yazısında duyuracağız. Bu yeni motoru geliştirirken görüş, danışmanlık ve yönlendirme sağlayan topluluk üyelerine teşekkür ederiz.
